Die VFD-Uhren mit dem IC MK50250
Hier möchte ich meine VFD-Uhren vorstellen. Sie arbeiten beide mit dem Uralt-IC MK50250.
Dieser IC beinhaltet eine komplette gemultiplexte sechstellige 7-Segment Weckuhr.
Getaktet wird der IC durch die Netzfrequenz. Das ist heutzutage genauer denn je und für mich absolut ausreichend.
Der MK50250 kann auf 50Hz mit 24h Format oder 60Hz mit 12h Format konfiguriert werden.
Die Zeiteinstellung ist etwas gewöhnungsbedürftig, da sie davon abweicht, was so üblich ist.
Wichtig ist zu wissen, dass man zum Start der Uhr Stunden und Minuten
gleichzeitig drücken muss. Alles andere findet man schon raus...


Hier die Application Note aus dem Datenblatt:

Im Datenblatt ist die komplette Schaltung für LED-Anzeigen fertig
enthalten. Der MK50250 hat gegenüber anderen Uhren ICs den Vorteil
das die einzelnen Ziffern gemultiplext werden. Viele Uhren ICs arbeiten
mit speziellen LED-Anzeigen mit einer Art Diodenlogik.
Alles was im Prinzip zu tun ist, ist entsprechende Treiberbausteine
statt den 75492 und 75491 zu verwenden und die Spannungen für die
VFD-Röhre(n) bereit zu stellen.
Hier ist zu erwähnen, dass abhängig vom Typ, die VFD-Röhre recht hohe Spannungen benötigt.
Bei weitem nicht so hohe Spannungen wie Nixie-Röhren, aber doch so an die 20 bis 70V.
Soll ein Segment leuchten, so ist es mit einer gegenüber dem
Heizfaden positiven Spannung zu versorgen. Dabei muss auch das Gitter
vor der Ziffer eine positive Spannung erhalten. Die Gitter weden dazu
benutzt die Ziffern zu multiplexen.
Des weiteren ist die Röhre zu heizen. Das sind bei Einzelanzeigen
so 1,5V. Bei größeren Anzeigen entsprechend mehr. Je
größer die Heizspannung desto wichtiger ist es die
Röhre mit Wechselspannung zu heizen, um Helligkeitsunterschiede zu
vermeiden.
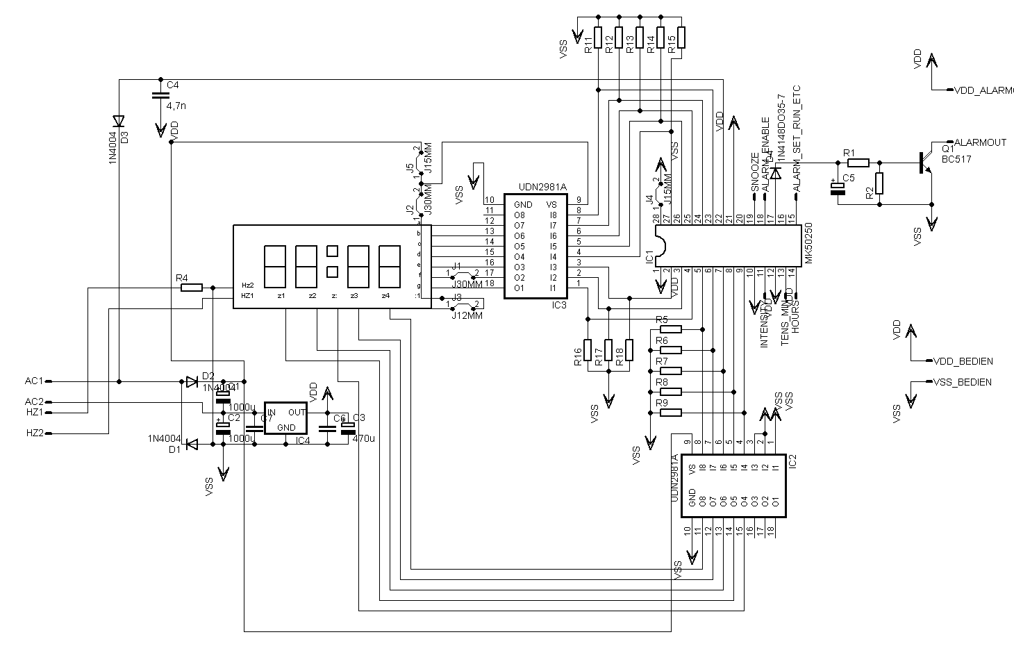
Hier kurz und schmerzlos die Schahltung der Uhr mit dem russischen Uhrendisplay IVL2-17 direkt aus Eagle:

Wie man sieht habe ich als Treiberbausteine die ansich auch schon angejarhten UDN2981A verwendet.
Das sind so genannte "Source"- oder "High side"- Treiber. Sie verhalten sich wie Schalter gegen den VS Anschluss.
Noch ein paar Pulldowns (10k) dazu und fertig sind die Treiber.
Im Netzteil kann ein 2x9V Trafo verwendet weden. Die Wicklungen müssen galvanisch getrennt sein.
Eine Sekundärwicklung ist für die Heizung und die andere für die Logik und die "Leuchtspannungen".
Anmerkung:
Es kann auch irgendein Ausschlachttrafo verwendet werden. Wichtig ist,
dass er 2 getrennte Wicklungen hat. Den Heizkreis kann man durch den
Widerstand R4 anpassen.
Die andere Wicklung muss ca. die (Segment- bzw. Gitterspannung / 2 ) / 1.41 sein.
C1 und C2 müssen je mindestens die halbe Gitter- bzw. Segmentspannung aushalten.
Die zweitere Wicklung versorgt einen Spannungsverdoppler. Man kann sich
das so vorstellen, als ob eine negative und eine positive Spannung per
Einweggleichrichtung erzeugt wird.
So wird vor die Segment- und Gitterspannungen ca. 25V erzeugt.
In der Mitte wird die Spannung für die Logik abgegriffen und von einem 7809 auf 9V gebracht.
Wenn man den Anschluss D1 auf Vdd legt erhält man an D2 das Signal für den Blinkepunkt.
Sonst erhält man an D1 und D2 die Multiplexsignale für die Sekunden.
Vielleicht ist es jemand aufgefallen: Vdd und Vss am MK50250 sind
verdreht. Das liegt daran, dass der IC eigentlich eine negative
Versorgungsspannung benötigt.
Der MK50250 liefert ein Piepsignal als Weckruf. Da ich aber in Zukunft
mal ein Radioteil damit schalten will, habe ich hier eine kleine
Darlingtontransistorschaltung drangebastelt. Diese habe ich aber noch
nicht ausgiebig getestet. (Richtwerte R1 10k, R2 100k, C5 47u) Einmal
habe ich ein Skalenlämpchen damit geschaltet.
Soll ein Relais geschaltet werden, muss eine Freilaufdiode hinzugeschaltet werden.
Bei verwendung von Russischen VFDs ist zu wissen, dass die Russen die
Segmente anders durchnummeriert haben. Also Achtung bei russischen
Datenblättern!
Ohne meine Zustimmung dürfen keine Inhalte meiner Seite kommerziell genutzt werden!