

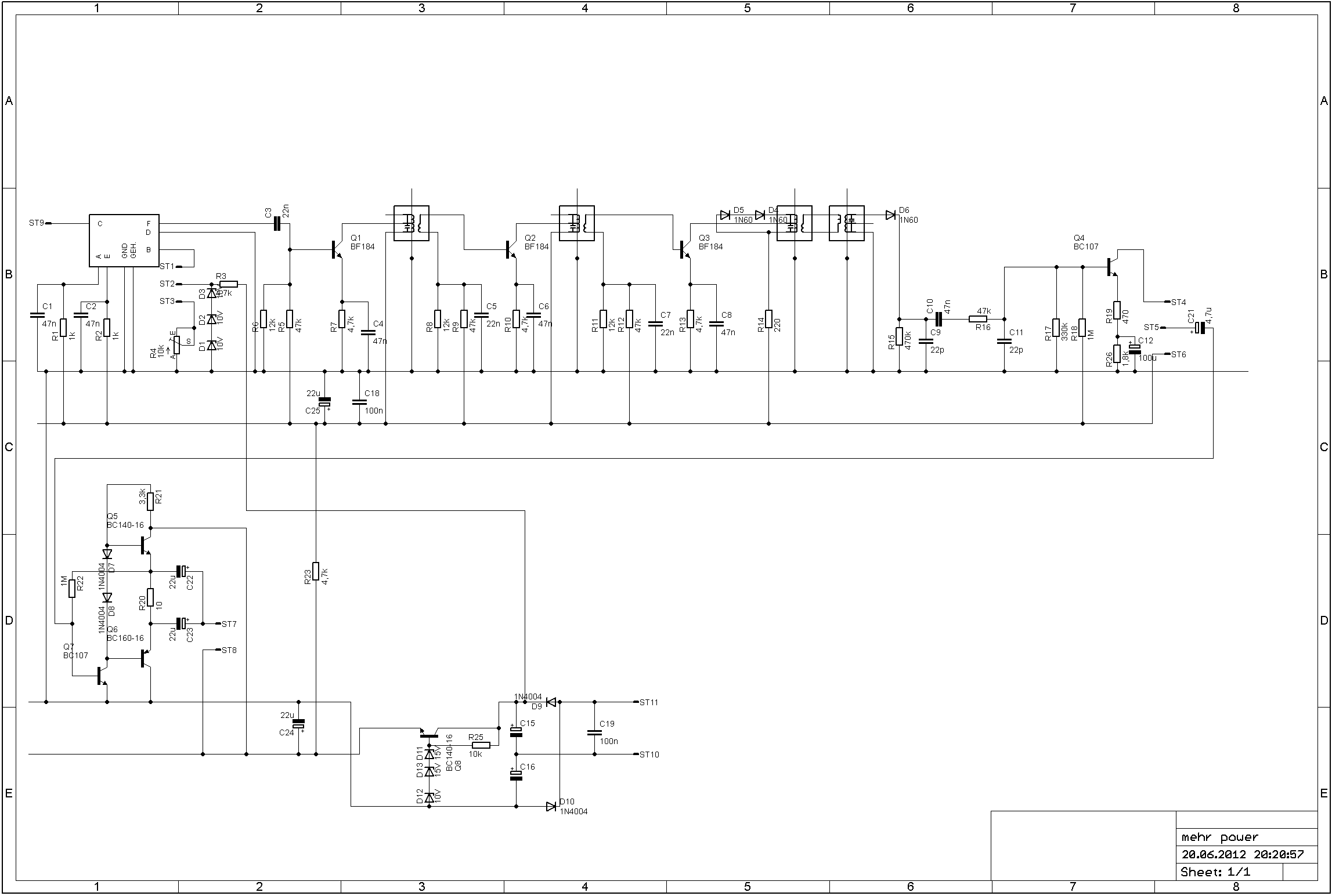
Das Mischmodul wird über A und
E über 1k Widerstände mit Spannung versorgt.
Bei ca 10V-12V an beiden Anschlüssen funktioniert es problemlos. Darunter habe
ich es noch nicht versucht
Gegen unerwünschte Kopplungen sind die 47n Abblockkondensatoren zuständig.
Drosseln wie im Begleitblatt zum Modul sind nicht erforderlich.
Die Spannung zur Steuerung der Varicap-Dioden wird durch drei 10V Z-Dioden
bereit gestellt.
Zwischen den drei Anschlüssen sind die Potentiometer für die Abstimmung
vorzusehen.
Man kann dann mehrere Potentiometer (<470k) anschließen und die Schleifer
umschalten um Senderspeicher zu realisieren.
Dabei ist zu beachten, dass der Gesamtwiderstand der Potentiometer nicht zu
klein wird, so dass die Z-Dioden-Stabilisierung nicht mehr funktioniert.
Ich habe vor hier noch einen Emitterfolger dawischen zu fügen um das Problem zu
umgehen, zumal die Z-Dioden zur Zeit auch stark belastet sind, sich erwärmen,
und dadurch die Spannung im Betrieb leicht verschiebt.
Das 10k-Pot dient zum festlegen des Startpunkts der Skala. Der Oszillator
des Moduls beginnt erst ab einer bestimmten Spannung zu schwingen.
Den Demodulator habe ich
großteils von meinem Röhrensuper übernommen.
Dem Schwingkreis der letzten ZF-Stufe sind zwei Germaniumdioden
hintereinander parallel geschaltet. Diese haben eine Flussspannung von
gemeinsam ca. 0,6V und schließen
den Schwingkreis ab dieser Spannung kurz. So wird die ZF auf 0,6V
Spitze
begrenzt.
Da Transistoren einen kleineren Innenwiderstand als Röhren haben ist der 220
Ohm Widerstand notwendig, an dem die "überflüssige" Spannung abfällt.
Der Demodulator ist ein so genannter "Flankendiskriminator". Dies ist
meiner Meinung nach die einfachste Methode, mit den erhältlichen
Bauteilen.
Es wird die FM-modulierte ZF auf einen Schwingkreis geleitet der einen Hauch
daneben abgestimmt ist geleitet. Die ZF "wandert" so auf der
Glockenkurve auf und ab und erzeugt ein AM-Signal und muss dann nur noch dem
entsprechend demoduliert werden.
Die Koppelwicklung des Begrenzer ist mit jener des Demodulators verbunden.
Die Spannung am Demodulatorkreis wird dann durch eine Germaniumdiode
"gleichgerichtet" und anschließend die ZF-Reste durch einen Tiefpass
entfernt.
Damit das gut funktioniert darf der Demodulatorkreis nicht stark gedämpft
werden. Darum hat die nachfolgende NF-Verstärkerstufe einen höheren
Eingangswiderstand.
Eine Macke des Demodulators/Begrenzers: Manche Sender sind leicht verbrummt.
Den Anfang des NF-Teil macht
eine Emitterstufe mit geteiltem Emitterwiderstand. Es ist dies erforderlich um
den Eingangswiderstand hoch zu halten.
Es sollte hier ein Transistor mit einem B von mindestens 100 verwendet werden.
(z.B. BC107B oder BC107C)
Das Lautstärkepotentiometer bildet den Kollektorwiderstand.
Es ist hier ein 4,7k Potentiometer (log) vorgesehen, da die nächste Stufe einen
kleineren Eingangswiderstand hat.
Derzeit ist hier das Problem, dass sich die Lautstärke nicht bis auf Null
reduzieren lässt. Möglicher Weise lässt sich das durch das Vergrößern von C25
beheben.
Die Betiebsspannung der Endstufe ist 40V. (näheres dazu im Netzteil)
Als Endstufe wird eine Komplementär-Gegentaktendstufe verwendet. Sie wird mit
den Endtransistoren BC141 und BC161 gebildet, auf welche sich Kühlsterne
stecken lassen.
Die Komplementär Endstufe hat eine Spannungsverstärkung von 1. D.h. sie gibt
die Eingangsspannung direkt wieder aus.
Das wird hier genützt und eine Emitterstufe mit Spannungsgegenkopplung
dazwischengeschaltet.
Man kann sich den 1M Widerstand also mit dem Kollektor des BC107 verbunden
denken.
So werden die Übernahmeverzerrungen klein gehalten.
Die Spannung in der Mitte der Endtufe soll etwa die halbe Versorgungsspannung
sein. Es sind gegebenen Falls der 3.3k oder 1M Widerstand zu variieren.