Die 60V UKW-Radios


Hier möchte ich meine 60V UKW Radios präsentieren.
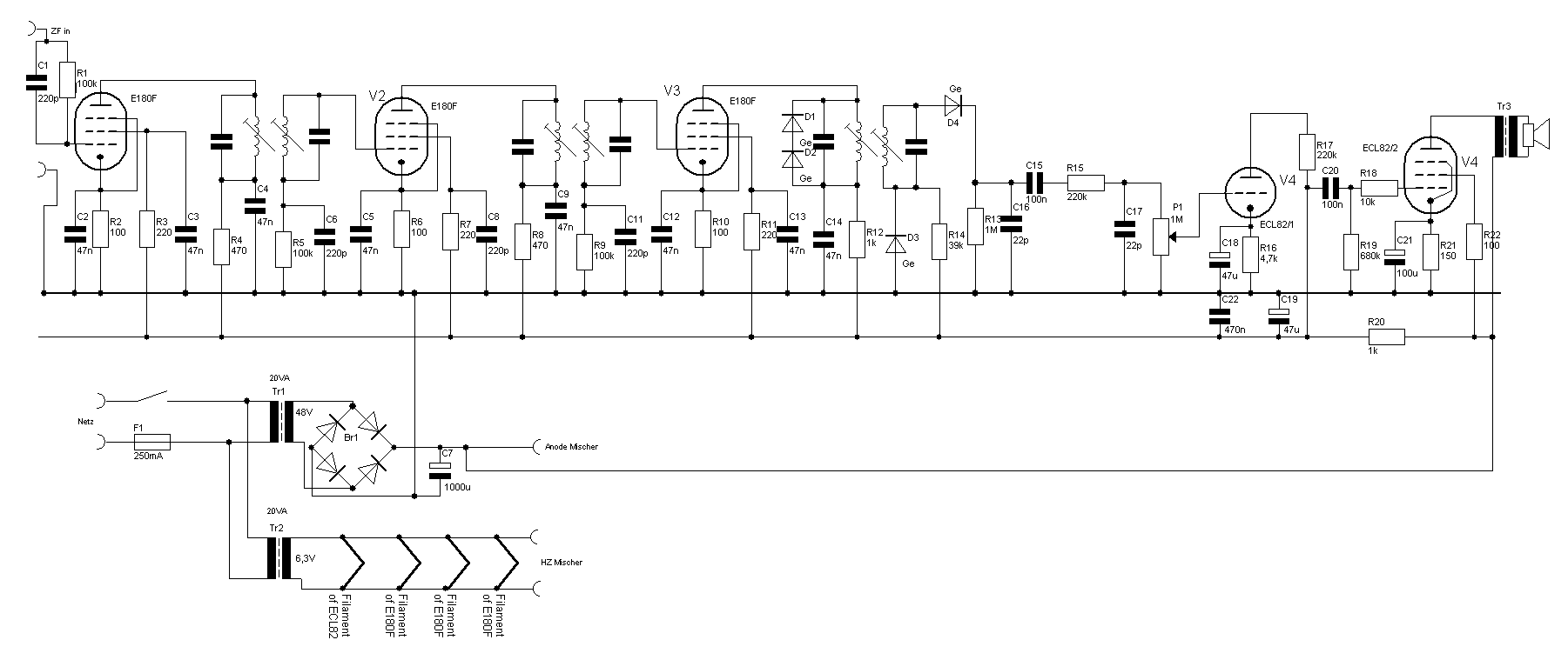
Die ZF- und NF-Stufe ist bei den recht ähnlich.
Ich habe die ZF-Stufe mit EF184s oder E180Fs aufgebaut.
Die Radios unterscheiden sich technisch vor allem in der Mischstufe.
Neben Nachteilen hat die geringe Anodenspannung auch Vorteile.
Auf der Hand liegt natürlich, dass man sein Leben nicht durch einen
elektrischen Schlag riskiert.
Es lassen sich aber auch heutzutage gängigere Kondensatoren mit geringerer
Spannung und größerer Kapazität verwenden.
Auch lassen sich für alle Widerstände 1/4 Watt Typen verwenden.
Die Verstärkung der Stufen ist geringer. Das ist an sich kein Vorteil, doch ist
so die Gefahr geringer, dass es zu unerwünschten Schwingungen kommt.
Zunächst möchte ich mal die Mischstufen vorstellen.
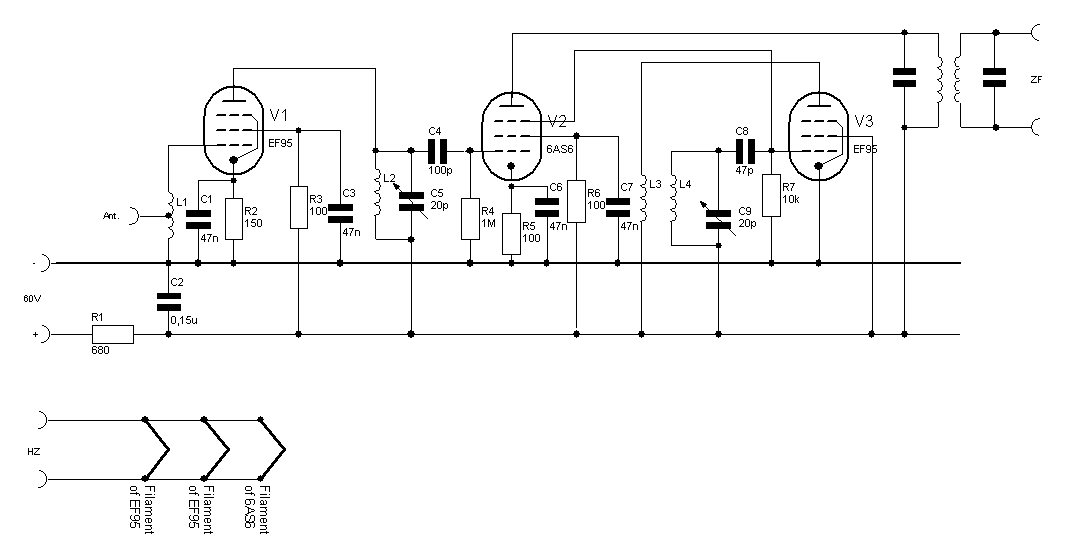
Der 6AS6 Mischer

Die Erste 60V UKW Mischstufe die ich gebastelt habe
hat eine 6AS6 als Herzstück.
Die 6AS6 ist eine doppelt gesteuerte Pentode. Das bedeutet, dass das was bei
normalen Pentoden das Bremsgitter ist hier auch ein Steuergitter ist.
Was mir selbst an der Mischstufe nicht gefällt ist, dass die EF95 im Oszillator
ohne Strom begrenzende Widerstände ist.

Die
Drehkondensatormasse liegt an Versorgungsspannung wodurch sich die Schaltung
etwas einfacher gestalten lässt.
In
der Vorstufe arbeitet eine EF95. Zur Eingangsspule kann ich keine näheren Daten
geben. Sie stammt aus einem Sortiment, hat einen HF-Eisenkern, hat an die 10
Windungen und eine Mittelanzapfung an welcher die Antenne angeschlossen ist.
(Sicher nicht die Ideallösung) Ist so etwas in der Art nicht verfügbar kann man
eine Luftspule mit ca. 20 Windungen verwenden.
V1
arbeitet auf den Eingangsschwingkreis. Die Schwingkreisspule ist eine Luftspule
mit 5 Windungen auf einem 5mm Kern gewickelt. Drahtstärke 0,5mm. Sie wird durch
Dehnen und Stauchen abgeglichen.
Das
Signal von der Vorstufe wird an G1 der 6AS6 geführt.
Im
Oszillator wird auch eine EF95 verwendet. Ob eine Pentode hier notwendig ist
weiß ich nicht. Ich hatte keine Pico7 Triode. Auf jeden Fall war es schwierig
den Oszillator über den gesamten Bereich am Schwingen zu halten. Daher ist auch
kein Strombegrenzerwiderstand in der Annodenleitung. Ich habe es mit 100 Ohm
Probiert und es hat nicht geklappt. Eventuell könnte man einen
Kathodenwiderstand einbauen.
Die
Oszillatorspule habe ich auf zwei geteilt, damit sie fest mit der Koppelspule
verkoppelt sind.
|3 Wdg Schwingk.| |3Wdg Koppel| |3 Wdg Schwingk.|
Die
Spulen sind wieder aus 0,5mm Draht auf 5mm Kern gewickelt.
Die
Oszillatorspannung wird auf G3 der 6AS6 geführt, fast wie bei einer
Triode-Hexode.
Die
6AS6 arbeitet dann auf das erste Bandfilter.
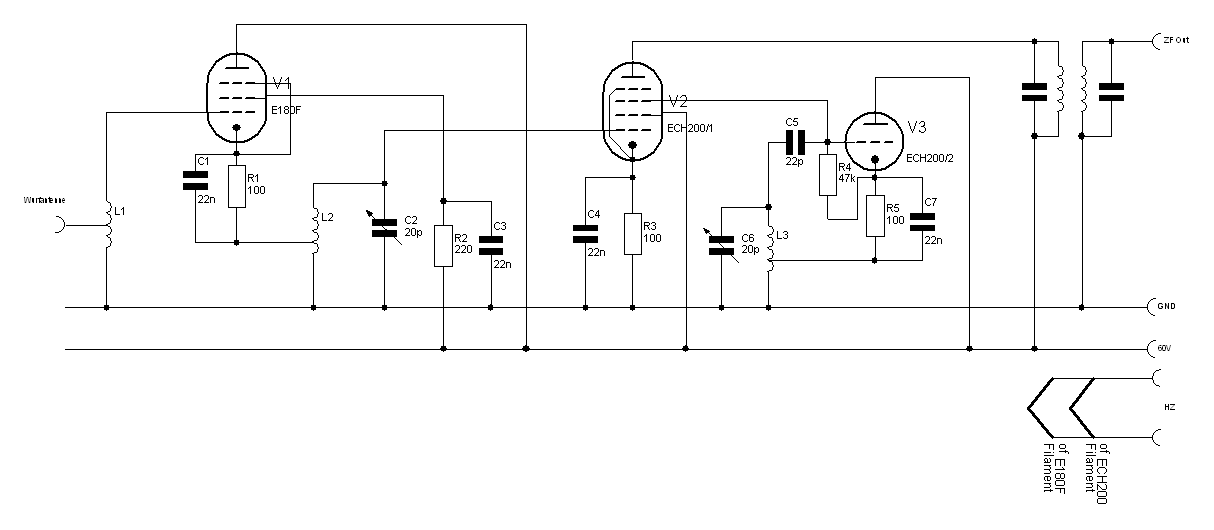
Der ECH200 Mischer

Der Mischer benutzt die Dekal-Röhre ECH200. Sie
rauscht mehr als die 6AS6. (Ist zumindest mein subjektiver Eindruck)
Die Triode und die Hexode haben getrennte Kathoden.
Der Oszillator wird mit der Triode der ECH200 in Hartley Schaltung gebildet.
Das funktioniert besser als der Meissner Oszillator bei 60V
Die Masse des Drehkos liegt hier auf der Gerätemasse.

Die Luftspule L2 hat 5 Windungen
auf einem 6mm Kern (z.B. Potentiometerachse) gewickelt, die untere Anzapfung
ist bei 2 Windungen.
Die Spule L3 ist gleich aufgebaut.
Die Spulen können durch Stauchen und Strecken abgeglichen werden.
In der Vorstufe arbeitet eine E180F in Anodenschaltung.
Neulich habe ich im Buch "Fernsehtechnik ohne Ballast" gelesen, dass
es nicht zielführend ist Pentoden in Anodenschaltung zu betreiben.
Ich habe mir daher eine Schaltung ausgedacht in der die Vorstufe in
Kathodenschaltung betrieben wird.
Die habe ich aber noch nicht ausprobiert.
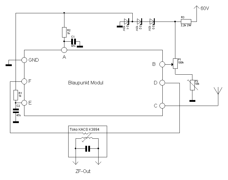
Das Blaupunkt Transistormischteil
Auf Ebay bin ich auf einen Posten mit Varicap Transistormischteilen von Blaupunkt gestoßen.
Hier das Datenblatt von Diesem Mischteil:

Hier die externe Beschaltung des Moduls:

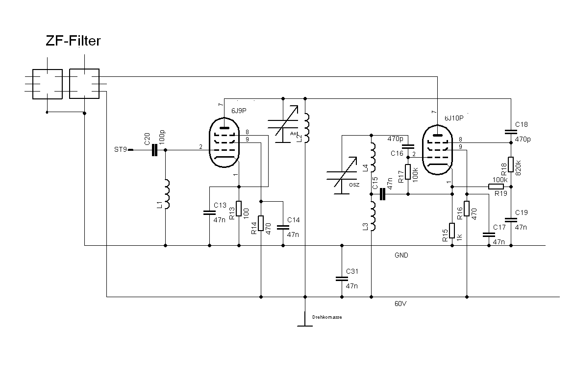
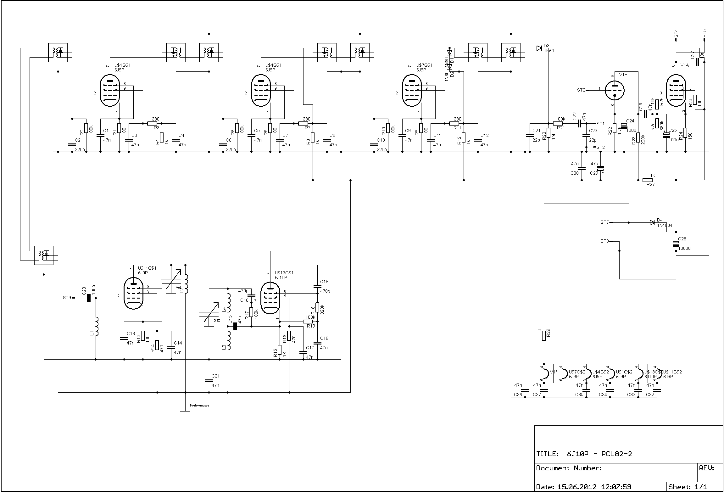
Das Mischteil mit der 6j10p
Auf Ebay bin ich auf die russische 6j10p gestoßen. Es ist dies wie die 6AS6 eine doppelt gesteuerte Pentode.
Die 6j10p ist steiler. Der 6j10p Mischer ist der bislang beste meiner 60V-Mischer.
Es handelt sich um eine selbst schwingende Mischstufe. Die anderen
Mischstufen mit Hartley-Oszillator leiden darunter das dieser eine
recht geringe Amplitude liefert.
Diese selbst schwingende Mischstufe profitiert davon, dass sie selbst
der Oszillator ist und somit der "Arbeitspunkt" stark verschoben wird

Die Masse des Drehkos liegt wieder mal an der Versorgungsspannung. So
kann die Vorstufe als Kathodenschaltung ausgeführt werden. Der
schon erwähnte Oszillator ist ein hochgeklappter
Hartley-Oszillator. Das Eingangssignal wird auf das 3. Gitter der 6j10p
geleitet.
Die Spulen sind Luftspulen und auf einem 6mm Kern gewickelt.
L1 hat 20 Windungen.
L2: 4-5 Wdg.
L3: 2Wdg direkt in reihe mit L4: 3Wdg.
Es empfiehlt sich der 6j10p eine Metallhülse zu spendieren, da das
G3 mit der internen Abschirmung der Röhre verbunden ist.
Der ZF- und NF-Teil
Der ZF-Teil hat drei Stufen.
Es wurde auf Kompensationsmaßnahmen verzichtet. So lässt sich eine höhere
Verstärkung erzielen.
Es ist, so denke ich, auch nicht so eine lineare Durchlasskurve nötig, da die
ZF in der letzten Stufe stark begrenzt wird und kein Stereoempfang vorgesehen
ist.

Ich nehme mal die Stufe um V4
durch.
Die ZF kommt über den ersten Kreis des Bandfilters auf den zweiten Kreis von
diesem und gelangt auf das Steuergitter von V4.
Ist die Amplitude größer als die Vorspannung am Kathodenwiderstand R6 und C5,
so entsteht automatisch, durch den Audioneffekt an R5 und C6 eine genügend große
Vorspannung.
Die E180F arbeitet auf den ersten Kreis des folgenden Bandfilters.
Um Rückkopplungen über die Versorgungsleitung zu verhindern wird die
Versorgungsspannung über den Widerstand R8 zugeführt und mit C9 geblockt.
Über R7 wird die Schirmgitterspannung zugeführt.
Bis auf die andere Schaltung des G1 Widerstand arbeitet die erste Stufe genau
gleich.
Auch die dritte Stufe ist im Prinzip so aufgebaut.
Es wurden hier dem ersten Filterkreis zwei Germaniumdioden hintereinander parallel
geschaltet. Diese haben eine Flussspanung von ca. je 0,3V.
So wird die ZF auf ca. 0.6V Spitze begrenzt.
Es kann hier auch eine einzelne Silizium Diode verwendet werden. Es
funktioniert im Prinzip auch mit einer 1N4841.
Besser ist es allerdings kapazitätsärmere Spitzendioden zu verwenden. Da in der
Bastelkiste keine derartigen Si-Dioden waren sind es jetzt zwei Ge-Dioden.
Als Demodulator wird der so genannte "Flankendiskriminator"
verwendet. Das ist meiner Meinung nach die einfachste Möglichkeit.
Er besteht aus einem Schwingkreis und der Ge-Diode D4. D3 kann man sich für den
Anfang kurzgeschlossen denken.
Die begrenzte ZF wirkt auf den Schwingkreis welcher einen Hauch neben der ZF
abgestimmt ist, sodass das FM modulierte Signal am Rand der Glockenkurfe auf
und ab wandert und so in ein Amplitudenmoduliertes Signal verwandelt wird.
Dieses Signal wird dann von D4, ganz wie im AM-Empfänger,
"gleichgerichtet" und wird somit zu NF.
Damit das gut funktioniert darf der Schwingkreis nicht stark gedämpft werden.
Daher ist die Siebkette nach dem Demodulator recht hochohmig ausgeführt.
Jetzt zur Diode D3. Sie dient mit R12 dazu den Schwingkreis auf ca. 0,3V
hochzulegen. So soll der Demodulator flussspannungslos arbeiten.
Der Effekt ist gering. Man kann den Schwingkreis auch auf Masse legen.
Was auszuprobieren währe ist statt der Ge-Diode eine Schottkydiode (z.B. BAT43)
zu verwenden.
Eine Macke des Demodulators/Begrenzers: Manche Sender sind leicht verbrummt.
Der Demodulator liefert, bedingt durch die Begrenzung, ein recht kleines
NF-Signal, welches durch einen zweistufigen NF-Verstärker verstärkt wird.
Der Verstärker neigte dazu zu schwingen. Abhilfe schaffte ich damit die
ZF-Stufe und erste NF-Stufe über R20 und C19 von der Endstufe zu entkoppeln.
Trotzdem sollten die Zuleitungen zum Lautstärkepotentiometer geschirmt
ausgeführt werden.
Als Ausgangsübertrager lässt sich ein 230V/6V Netztransformator verwenden.
Im Netzteil sind für beide Transformatoren 20VA ausreichend.
Zur Erzeugung der Anodenspannung von ca. 60V kann man einen 2x24V (48V)
Transformator und Brückenschaltung verwenden oder einen 2x12V (24V)
Transformator mit Spannungsverdopplerschaltung.
Aufbau und Abgeich
Die Mischstufen sind als gedruckte Schaltungen
ausgeführt. So ist mechanisch alles stabil.
Es werden 20pF Doppeldrehkondensatoren verwendet.
Je nach Mischstufe lassen sich auch Fernost Plastikdrehkos verwenden.
Für Mischstufen mit Meissner-Oszillator sind sie wahrscheinlich
weniger geeignet, da sich die Spannung hier "hochschwingen" kann.
Die ZF- und NF-Stufe ist fliegend verdrahtet
ausgeführt.
Ich habe eine Hartpapierplatte mit Kupferauflage verwendet in welche ich
Röhrenfassungen für Chassiemontage "eingebohrt" habe.
Das ist sehr praktisch, da man überall Bauteile mit Masse verbinden kann wo man
es braucht.


Die Unterseite sieht etwas wild aus, und doch hat
es eine gewisse Ordnung.
So sollte der Aufbau dem Signalverlauf folgen. Vor dem Einbau der
Röhrenfassungen sollte man sich die Sockelbeschaltung der ZF-Röhren ansehen.
HF führende Leitungen sind so kurz als möglich zu halten.
Die ZF-Bandfilter bestehen aus je zwei Transistor 10,7MHz Bandfiltern. Ich habe
hier Toko KACS K3894 genommen. Es lassen sich aber auch „braune“ und „grüne“
Transistorfilter verwenden. Bei „schwarzen“ Spulen ist Vorsicht geboten. Das
können auch AM Filter sein.
(Bei Mouser: 42IF122, 42IF123, 42IF129)
Daraus kann man ein 2 Kreisbandfilter basteln indem man die zwei Pins auf der
Seite auf welcher nur zwei sind mit denen eines zweiten verbindet.
Die Kopplung der beiden Kreise ist dann recht fest, was sich für diese Zwecke
gut eignet.
Abgelich
Als erstes ist die ZF-Stufe abzugleichen. Wenn man schon direkt nach
dem Aufbau Sender empfängt, kann man alle ZF-Kreise
behelfsmäßig auf die größte Lautstärke
abgleichen. Das klappt eigentlich recht gut, wenn die Filterspulen
vorabgeglichen sind.
Sonst kann man an der Antenne 10,7Mhz mit großer Amplidude
amplidudenmoduliert einspeisen, und dann von hinten angefangen die
ZF-Kreise auf größte Lautstärke abstimmen,
wobei der Generator am besten immer kleiner gestellt wird, sodass
man gerade noch etwas hört.
Nach dem ZF-Teil kommt der Oszillator.
Der Drehko ist ganz einzudrehen. Mittels Dehnen und Stauchen der
Oszillatorspule ist die Frequenz am unteren Ende des Empangsbereich
festzulegen.
Dazu ist diese Frequenz einzuspeisen. Es geht auch, wenn man keinen
Generator hat, so lange zu probieren bis man den untersten Radiosender
empfängt.
Das Gleiche führt man bei ausgedrehtem Drehko für die oberste Frequenz mit dem Oszillatortrimmko aus.
Es ist das so lange zu wiederholen bis der Empfangsbereich in Etwa stimmt.
Danach kommt der Vorkreis an die Reihe.
Für die unterste Frequenz wird wieder die Spule verbogen und für die oberste der Vorkreistrimmer verstellt.
Die neueste Variante (Print)

Die neueste Variante des UKW60. Aufgebaut auf einer einzelnen Print.
An Stelle der ECL82 ist eine PCL82 verbaut. So kann die gesamte Schaltung aus einem 48V-Trafo gespeist werden.

Hat leider noch die Macke, dass der Oszillator manchmal bei den
höheren Frequenzen aussetzt. Ich denke, dass es sich verbessert,
wenn man direkt an den Versorgungsspannungspin des ersten ZF-Filters
einen Kondensator hinzufügt.
Ohne meine Zustimmung dürfen keine Inhalte meiner Seite kommerziell genutzt werden.!